Overview
Product Details
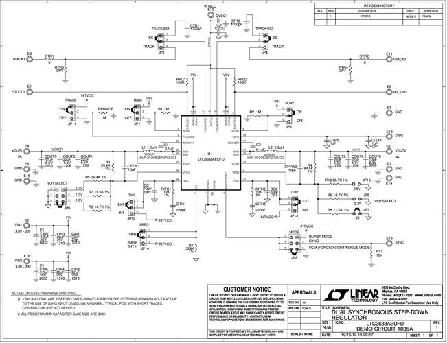
Demonstration circuit DC1895 is a dual output regulator consisting of two constant-frequency step-down converters, based on the LTC3633A monolithic dual channel synchronous buck regulator. The DC1895 has an input voltage range of 3.6V to 20V, with each regulator capable of delivering up to 3A of output current. The DC1895 can operate in either Burst Mode® operation or forced continuous mode. In shutdown, the DC1895 can run off of less than 15μA total. The DC1895 is a very efficient circuit: over 90% for either circuit. The DC1895 uses the 28-Pin QFN LTC3633AEUFD package, which has an exposed pad on the bottom-side of the IC for better thermal performance. These features, plus a programmable operating frequency range from 500kHz to 4MHz (2MHz switching frequency with the RT pin connected to INTVCC), make the DC1895 demo board an ideal circuit for use industrial or distributed power applications.
Applicable Parts
Documentation & Resources
-
DC1895A - Schematic7/9/2014PDF71K
-
DC1895A - Demo Manual5/30/2017PDF1M
-
DC1895A - Design Files7/9/2014ZIP3M




