Overview
Product Details
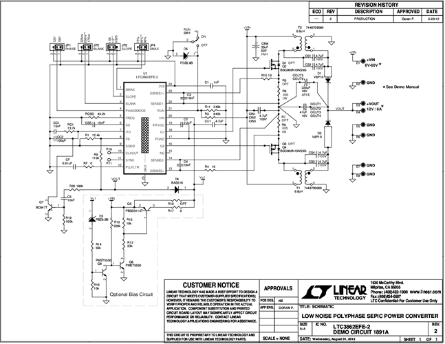
Demonstration circuit 1891A is a 2-phase high efficiency nonisolated SEPIC (Single Ended Primary Inductor Converter) converter featuring the LTC3862-2 switching controller. The DC1891A converts a 6V to 60V input to a 12V output and provides 6A of output current. The DC1891A can be easily modified to generate output voltages in the range from 0.8V to 48V.
Applicable Parts
Documentation & Resources
-
DC1891A - Schematic10/3/2012PDF62K
-
DC1891A - Demo Manual10/3/2012PDF1M
-
DC1891A - Design Files10/3/2012ZIP1M
