Overview
Product Details
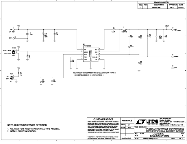
Demonstration Circuit 1883A features the LTC3103, a high efficiency, monolithic synchronous step-down converter using a current mode architecture capable of supplying 300mA of output current. The IC operates with a fixed frequency oscillator at 1.2MHz. The LTC3103 has two user selectable (JP2) operating modes: Burst Mode® operation and forced continuous operation (fixed frequency PWM). The IC has internal compensation and an accurate programmable RUN pin.
The LTC3103 operates with a 2.5V to 15V input voltage range. The demo board has been designed with a main output set to 1.8V.
Applicable Parts
Documentation & Resources
-
DC1883A - Schematic1/25/2012PDF38K
-
DC1883A - Demo Manual1/25/2012PDF277K
-
DC1883A - Design Files1/25/2012ZIP741K



