Overview
Product Details
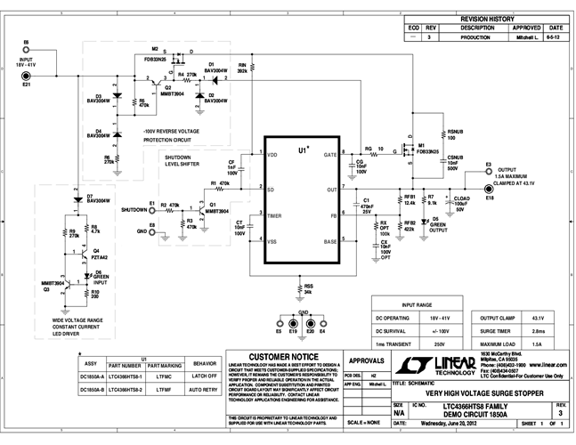
DC1850A-B: Demo Board for the LTC4366-1/LTC4366-2 High Voltage Surge Stopper.
Markets and Technologies
Applicable Parts
Documentation & Resources
-
DC1850 - Schematic10/18/2012PDF42K
-
DC1850 - Demo Manual10/9/2012PDF327K
-
DC1850 - Design Files10/18/2012ZIP621K




