Overview
Product Details
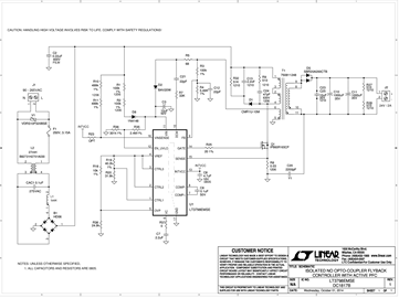
DC1817B: Demo Board for the LT3798 Isolated No Opto-Coupler Flyback Controller with Active PFC.
Markets and Technologies
Applicable Parts
Documentation & Resources
-
DC1817B - Schematic11/12/2014PDF33K
-
DC1817B - Demo Manual11/12/2014PDF399K
-
DC1817B - Design Files11/12/2014ZIP843K





