Overview
Product Details
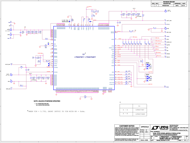
Demonstration circuit 1811B-A is a dual-output, high efficiency, high density, μModule® regulator with 4.5V to 26.5V input range. Each output can supply 13A maximum load current. The demo board has a LTM4676 μModule regulator, which is a dual 13A or single 26A step-down regulator with PMBus power system management. Please see LTM4676 data sheet for more detailed information.
Applicable Parts
Documentation & Resources
-
DC1811B_ - Schematic3/2/2015PDF94K
-
DC1613A - Schematic2/28/2012PDF160K
-
DC1811B-A - Demo Manual6/11/2015PDF1M
-
DC1613A - Demo Manual6/25/2010PDF303K
-
DC1811B - Design Files3/2/2015ZIP2M
-
DC1613A - Design File6/25/2010ZIP1M
