Overview
Product Details
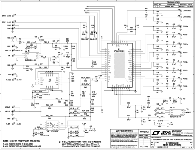
Demonstration circuit 1795A features the LTC6950, a 1.4GHz low phase noise, low jitter PLL with clock distribution. For ease of use, the DC1795A comes installed with a 100MHz reference and a 1GHz VCSO, voltage controlled SAW oscillator with sine wave output. All differential inputs and outputs have 0.5" spaced SMA connectors. The DC1795A has four AC coupled LVPECL outputs with 50Ω transmission lines making them suitable to drive 50Ω impedance instruments. The LVDS/CMOS output is DC coupled. The LTC6950’s EZSync™ function is made available via a turret and an SMA connector.
Documentation & Resources
-
DC1795A - Schematic1/5/2015PDF78K
-
DC1795A - Demo Manual1/5/2015PDF1M
-
DC1795A - Design File1/5/2015ZIP4M




