Overview
Product Details
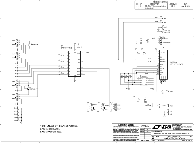
Demonstration circuit 1785B features the LTC2991, a high performance temperature, voltage and current monitor that uses an I2C interface for communication. It offers sub-millivolt voltage resolution, 1% current measurement and 1°C temperature accuracy.
Applicable Parts
Documentation & Resources
-
DC1785B - Schematic10/13/2014PDF79K
-
DC1785B - Demo Manual10/13/2014PDF339K
-
DC1785B - Design Files10/13/2014ZIP2M




