Overview
Product Details
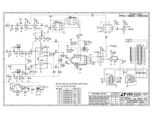
The LTC2380/LTC2379/LTC2378/LTC2377/LTC2376 are low power, low noise ADCs with serial outputs that can operate from a single 2.5V supply. The demo manual refers to the LTC2379-18 but applies to all parts in the family, the only difference being the maximum sample rates and the number of bits. The LTC2379-18 supports a ±5V fully differential input range with a 101dB SNR, consumes only 18mW and achieves ±2LSB INL max with no missing codes at 18-bits. The DC1783A demonstrates the DC and AC performance of the LTC2379-18 in conjunction with the DC590 QuikEval™ and DC718 PScope™ data collection boards.
Applicable Parts
Documentation & Resources
- 
                                                                
                                                                    
                                                                                                                                            DC1783 - Schematic3/6/2012PDF817K
- 
                                                                
                                                                    
                                                                                                                                            DC1783A - Demo Manual3/13/2013PDF1M
- 
                                                                
                                                                    
                                                                                                                                            DC1783A - Design Files4/1/2011ZIP3M
 
                             
                         
                         
                                                