Overview
Product Details
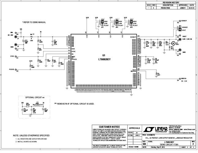
Demonstration circuit 1738A features the LTM8028, a μModule® step-down converter that integrates both a high efficiency switching regulator and a 5A UltraFast™ linear regulator, resulting in a low noise solution suitable for high speed data applications. The demo circuit is designed for an input voltage of 6V to 36V and an operating frequency of 250kHz. The output voltage is digitally programmable from 0.8V to 1.8V in 50mV increments by adjusting the three tri-state inputs VO0, VO1, and VO2.
Markets and Technologies
Applicable Parts
Documentation & Resources
-
DC1738A - Schematic4/29/2013PDF55K
-
DC1738A - Demo Manual4/29/2013PDF903K
-
DC1738A - Design Files4/29/2013ZIP0M
