Overview
Product Details
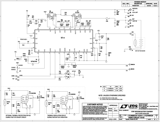
Demonstration circuit 1721B is a 14.6V, 5A battery charger and PowerPath™ manager with 6VIN to 36VIN buck-boost converter featuring the LTC4000-1/LTC3789, targeted at 4-cell LiFePO4 applications. The LTC4000-1 has an input voltage regulation loop for Maximum Power Point Control (MPPC). MPPC extracts near maximum power from high impedance sources such as solar panels, wind turbines, or fuel cells.
The output of this demo board was specifically tailored for a Tenergy 10A-hour battery, P/N 30207. Other voltages can be set by changing ROFB2 and RBFB2. The desired nominal voltage can be accurately trimmed by using trim resistors R42 and R43. For example, for 14.4V battery float voltage, change ROFB2 and RBFB2 to 86.6k, and add 7.5M at R42 and R43 for greater set point accuracy.
This circuit was designed to demonstrate the high levels of performance, efficiency, and small solution size attainable using these ICs in a buck-boost converter battery charger, intelligent PowerPath manager, and power supply. It operates at 400kHz and produces a regulated 5A/14.6V battery charger output as well as a system output of up to 6.25A from an input voltage range of 6V to 36V: suitable for a wide variety of portable applications including instruments, industrial equipment, power tools, and computers.
Applicable Parts
Documentation & Resources
-
DC1721B - Schematic3/25/2013PDF114K
-
DC1721B - Demo Manual3/21/2013PDF208K
-
DC1721B - Design Files3/25/2013ZIP1M




