Overview
Product Details
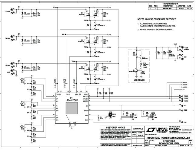
DC1717A: Demo Board for the LTC4417 Prioritized PowerPath Controller.
Markets and Technologies
Applicable Parts
Documentation & Resources
-
DC1717A - Schematic3/13/2013PDF72K
-
DC1717A - Demo Manual9/8/2015PDF303K
-
DC1717A - Design Files3/13/2013ZIP1M




