Overview
Product Details
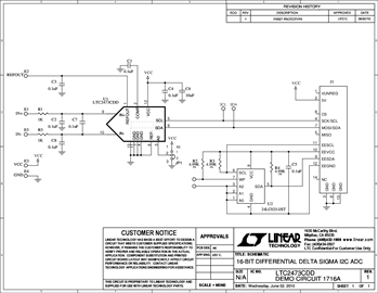
DC1716A: Demo Board for the LTC2473 Selectable 208sps/833sps, 16-Bit I2C ΔΣ ADCs with 10ppm/°C Max Precision Reference.
Applicable Parts
Documentation & Resources
-
DC1716 - Schematic3/6/2012PDF51K
-
DC1716A - Demo Manual3/18/2011PDF313K
-
DC1716A - Design Files3/18/2011ZIP2M
