Overview
Product Details
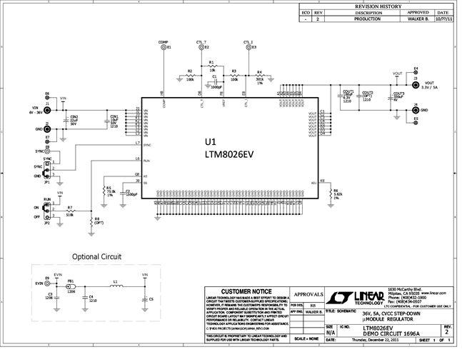
Demonstration circuit 1696 is a 36V, 5A, CVCC step-down μModule regulator featuring the LTM8026. The demo circuit is designed for a 3.3V output from an input voltage range of 6V to 36V. The output can source 5A. The circuit can be operated in either constant voltage mode or constant current mode.
Applicable Parts
Documentation & Resources
-
DC1696A - Schematic2/21/2012PDF77K
-
DC1696A - Demo Manual2/21/2012PDF237K
-
DC1696A - Design Files2/21/2012ZIP2M




