Overview
Product Details
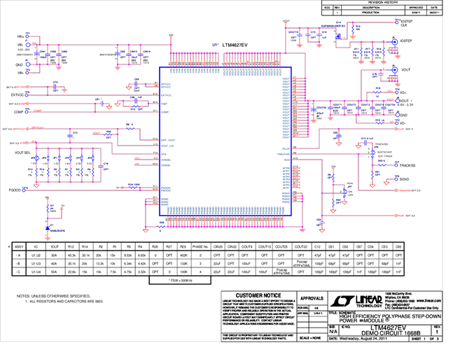
Demonstration circuit 1668B-C is a PolyPhase® power supply featuring four LTM4627 high efficiency synchronous buck μModule® regulators. The DC1668B-C input voltage range is between 4.5V to 20V with a jumper programmable output voltage from 0.6V to 3.3V. The demo circuit can deliver up to 50A of load with excellent current-sharing. Current derating may be necessary under certain operating conditions.
Applicable Parts
Documentation & Resources
-
DC1668B - Schematic5/3/2012PDF113K
-
DC1668B-C - Demo Manual2/15/2013PDF575K
-
DC1668B - Design Files12/15/2011ZIP4M
