Documentation & Resources
-
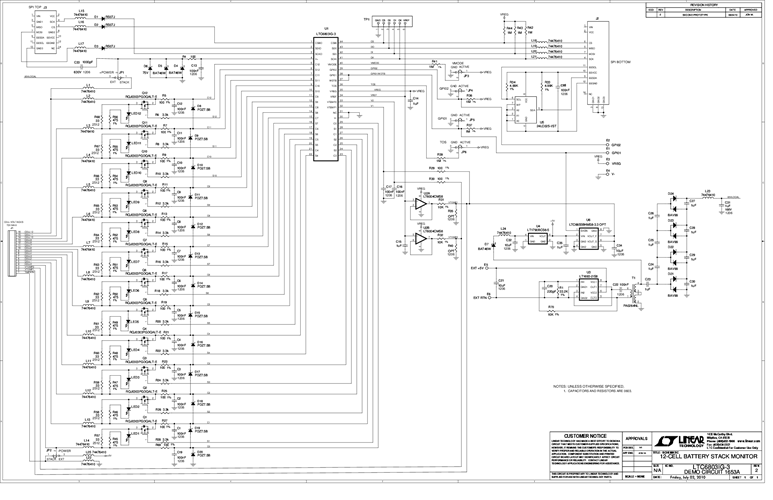
DC1653A - Schematic12/19/2011PDF104K
-
DC1653A - Demo Manual4/1/2011PDF1M
-
DC1653A - Design Files7/27/2011ZIP4M
