Overview
Product Details
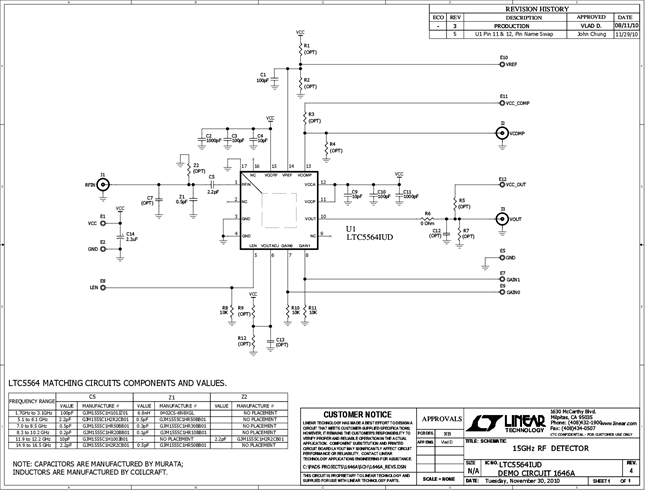
DC1646A: Demo Board forn LTC5564 UltraFast™ 7ns Response Time 15GHz RF Power Detector with Comparator.
Applicable Parts
Documentation & Resources
-
DC1646A - Schematic2/16/2012PDF62K
-
DC1646A - Demo Manual3/23/2011PDF290K
-
DC1646A - Design Files7/28/2011ZIP2M




