Overview
Product Details
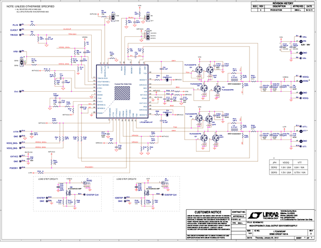
Demonstration circuit 1631A is a dual output DDR2 or DDR3 power supply that provides 20A at 1.8V or 1.5V (jumper-selectable) for VDDQ and ±10A for VTT (VTT = 0.5VDDQ). It also has a ±50mA VTTR reference output. The demo board has an operating voltage range of 4.5V to 14V and a nominal 400kHz switching frequency.
Applicable Parts
Documentation & Resources
-
DC1631A - Schematic1/17/2012PDF89K
-
DC1631A - Demo Manual1/17/2012PDF343K
-
DC1631A - Design Files1/17/2012ZIP1M
