Overview
Product Details
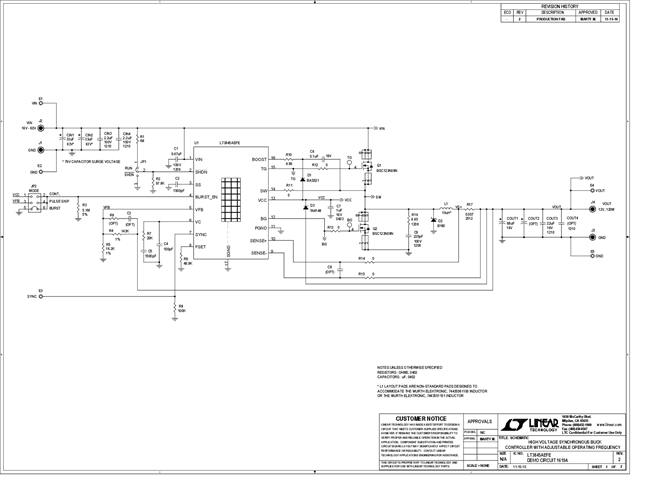
Demonstration Circuit 1619A is a 100kHz to 500kHz programmable frequency, high voltage, current mode DC/DC step-down converter featuring the LT3845A. The operating frequency can be synchronized up to 600kHz. This demo board is designed for 12V output at up to 10A (120W) from a 16V to 60V input.
Applicable Parts
Documentation & Resources
-
DC1619A - Schematic3/21/2012PDF91K
-
DC1619A - Demo Manual3/14/2011PDF516K
-
DC1619A - Design Files3/17/2011ZIP1M




