Overview
Product Details
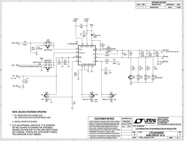
Demonstration circuit 1611 is a step-down converter, using the LTC3604 monolithic synchronous buck regulator in the exposed pad MSOP-16 package. The DC1611 has a maximum input voltage 15V, and is capable of delivering up to 2.5A of output current at a minimum input voltage of 3.6V. The output voltage of the DC1611 can be set as low as 0.6V, the reference voltage of the LTC3604.
Applicable Parts
Documentation & Resources
-
DC1611A - Schematic2/28/2012PDF47K
-
DC1611A - Demo Manual3/12/2010PDF1M
-
DC1611A - Design Files3/12/2010ZIP854K
