Overview
Product Details
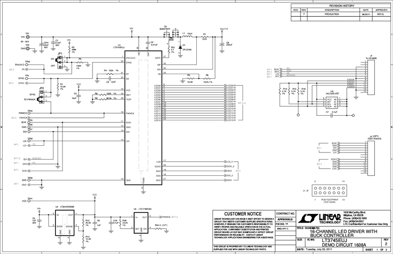
Demonstration circuit 1608A features the LT3745, a 16-channel 50mA buck LED driver controller and serial interface. Each channel drives a single LED. Three LT3745's are connected in series with each one controlling a color in a 16 LED RGD array. Each channel has an individually adjustable 12-bit (4096-step) grayscale PWM dimming control and a 6-bit (64-step) dot correction current adjustment.
The demo board input voltage range is 9V to 40V and the buck controller outputs 3.4V or 4.2V depending on the color of the LED.
Applicable Parts
Documentation & Resources
-
DC1608A - Schematic12/21/2011PDF110K
-
DC1608A - Demo Manual11/7/2011PDF726K
-
DC1608A - Design Files10/30/2011ZIP4M
