Overview
Product Details
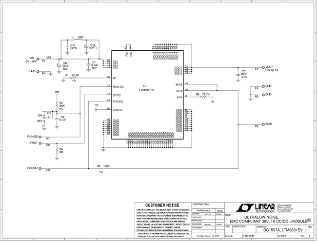
Demonstration circuit DC1597A features the LTM8031, a step-down converter certified to meet the EN55022 radiated emissions standard. The LTM8031 is configured to deliver a 3.3V output from a 5V to 36V input with a 750kHz operating frequency. The wide input range supports a variety of input sources, such as automotive batteries, wall adaptors and industrial supplies. Under light load conditions, the LTM8031 enters Burst Mode® operation to deliver high efficiency over a broad current range and maintain low output ripple.
Markets and Technologies
Applicable Parts
Documentation & Resources
-
DC1597A - Schematic5/2/2012PDF32K
-
DC1597A - Demo Manual1/24/2011PDF967K
-
DC1597A - Design Files11/13/2009ZIP676K




