Overview
Product Details
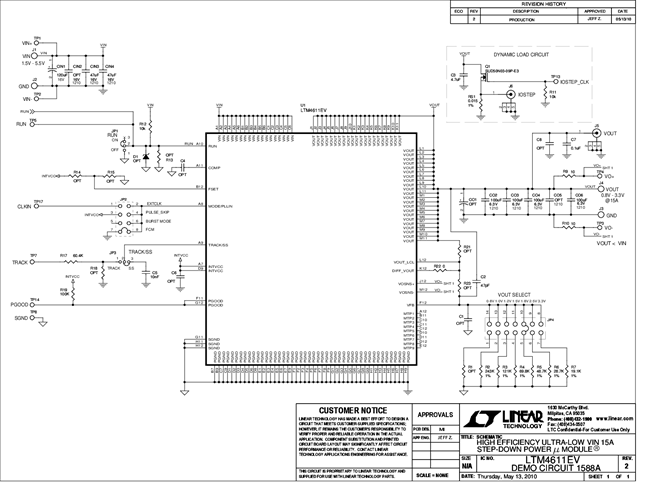
Demonstration circuit DC1588A features the LTM4611EV, a low input voltage 15A step-down power module. The operating input voltage range is 1.5V to 5.5V with an output voltage range from 0.8V to 5V. DC1588A can support a load current up to 15A, while derating may be necessary for different VIN, VOUT and thermal conditions. The LTM4611EV can operate in pulse-skipping mode or Burst Mode® operation for high efficiency under a light load. The DC1588A has a default programmable switching frequency of 500kHz and may be synchronized to an external clock from 360kHz up to 710kHz.
Applicable Parts
Documentation & Resources
- 
                                                                
                                                                    
                                                                                                                                            DC1588A - Schematic5/3/2012PDF73K
- 
                                                                
                                                                    
                                                                                                                                            DC1588A - Demo Manual10/25/2010PDF630K
- 
                                                                
                                                                    
                                                                                                                                            DC1588A - Design Files7/23/2010ZIP3M
 
                             
                         
                         
                                                 
                                                 
                                                 
                                                 
                                                



