Overview
Product Details
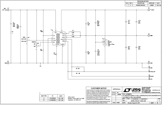
Demonstration circuit 1583A is a 1A high efficiency 2-Cell supercapacitor charger with automatic cell balancing featuring the LTC3625/LTC3625-1. The LTC3625/LTC3625-1 are step-up/step-down programmable supercapacitor chargers designed to charge two supercapacitors in series to a fixed voltage of 5.3V or 4.8V (LTC3625), or 4.5V or 4.0V (LTC3625-1) from a 2.7V to 5.5V input supply. Automatic cell balancing is achieved during the charging phase, preventing overvoltage damage to either supercapacitor while maximizing charge rate.
Applicable Parts
Documentation & Resources
-
DC1583A - Schematic1/18/2012PDF77K
-
DC1583A - Demo Manual11/22/2010PDF179K
-
DC1583A - Design Files11/15/2010ZIP844K





