Overview
Product Details
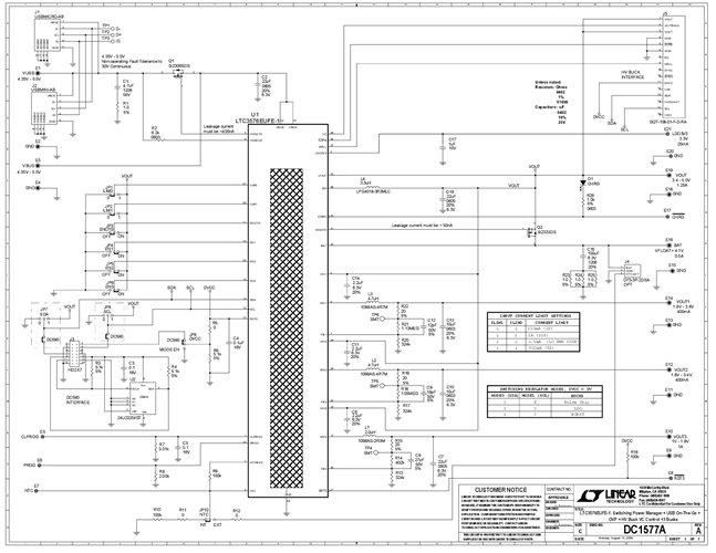
Demonstration Circuit DC1577A is a switching power manager that features a high-efficiency bidirectional PowerPath switching regulator for USB On-the-Go, a controller for an external high voltage step-down switching regulator, a 1A battery charger (4.1V VFLOAT), an ideal diode, an always-on LDO, an overvoltage protection circuit and three general purpose synchronous step-down switching regulators. The three DC/DC converters provide 1.9V to 3.6V @ 400mA, 1.8V to 3.4V @ 400mA and 1V to 1.8V @ 1A.
The DC1577A Demo Circuit can be controlled from a software GUI. Most of the features of the LTC3576EUFE-1 are only accessible via its I2C port.
Applicable Parts
Documentation & Resources
-
DC1577A - Schematic5/3/2012PDF140K
-
DC1577A - Demo Manual11/13/2009PDF1M
-
DC1577A - Design Files11/13/2009ZIP1M
