Overview
Product Details
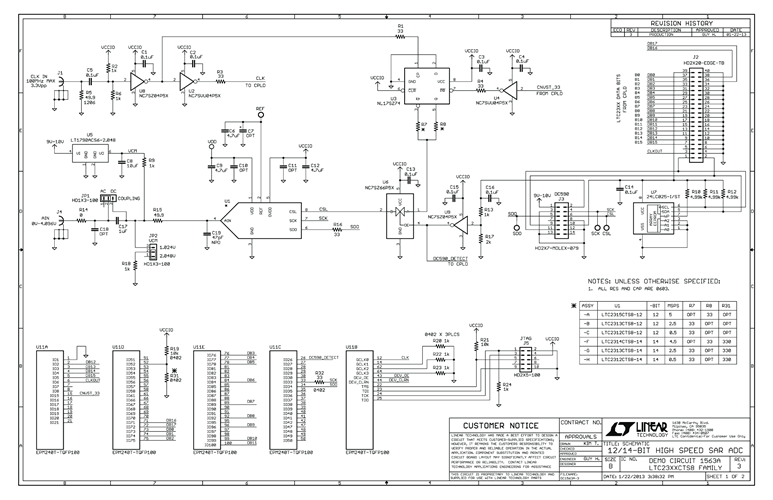
DC1563A-H: Demo Board for the LTC2312-14 14-Bit, 500ksps Serial Sampling ADC in TSOT.
Applicable Parts
Documentation & Resources
-
DC1563A - Schematic9/11/2013PDF82K
-
DC1563A - Demo Manual9/11/2013PDF2M
-
DC1563A - Design Files9/11/2013ZIP1M
