Overview
Product Details
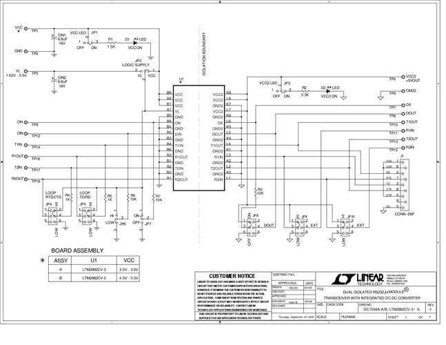
DC1554A-A: Demo Board for the LTM2882 Dual Isolated RS232 µModule Transceiver + Power.
Applicable Parts
Documentation & Resources
-
DC1554 - Schematic10/27/2010PDF46K
-
DC1554A - Demo Manual6/4/2010PDF240K
-
DC1554A - Design Files10/27/2010ZIP621K





