Overview
Product Details
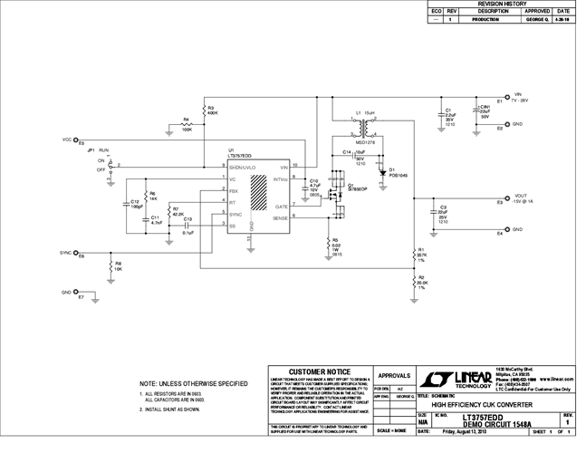
Demonstration circuit 1548A features the LT3757EDD in a 300kHz CUK converter circuit, designed for −15V output from a 7V to 28V input. The LT3757EDD operates over an input range of 2.9V to 40V, suitable for applications from single-cell lithium-ion battery portable electronics up to high voltage automotive and industrial power supplies. It also exhibits low shutdown quiescent current of 1μA, making them an ideal fit for battery-operated systems. Thanks to a novel FBX pin architecture, the LT3757EDD can be connected directly to a divider from either the positive output or the negative output to ground. It also packs many popular features such as soft-start, input undervoltage lockout, adjustable frequency and synchronization in a small 10-lead MSOP package or a 3mm × 3mm QFN package.
Applicable Parts
Documentation & Resources
-
DC1548 - Schematic8/25/2010PDF41K
-
DC1548A - Demo Manual8/25/2010PDF271K
-
DC1548A - Design Files8/25/2010ZIP541K
