Overview
Product Details
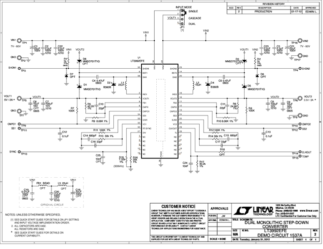
The demo circuit 1537A is a dual current mode PWM step-down DC/DC converter featuring LT3992. The demo circuit is designed for 5V and 3.3V outputs from a 7V to 60V input. The current capability of each channel is up to 3A when running individually and 2A when both are sourcing the same current without special heat sinking. Individual soft-start, current limit, comparator, input voltage for each output as well as frequency division and synchronous and clock output functions simplify the complex design of dual-output power converters.
Applicable Parts
Documentation & Resources
-
DC1537A - Schematic5/2/2012PDF66K
-
DC1537A - Demo Manual5/2/2012PDF220K
-
DC1537A - Design Files5/2/2012ZIP1M
