Overview
Product Details
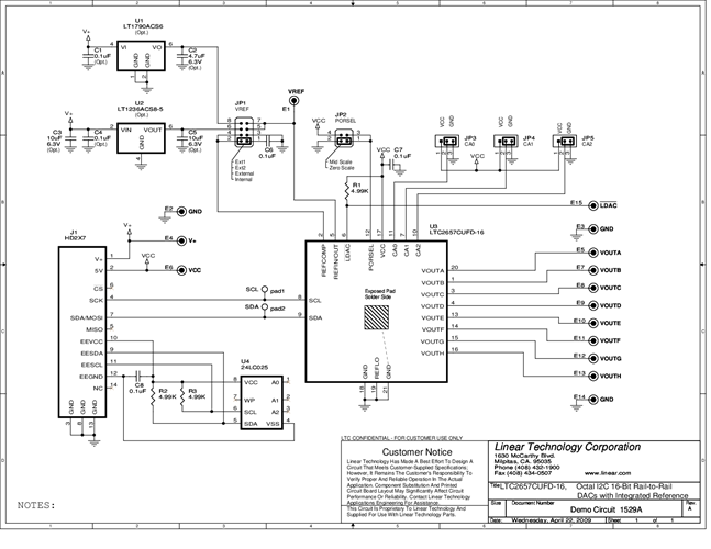
Demonstration circuit 1529A features the LTC2657 Octal 16-bit DAC with ±4LSB INL error. This device establishes a new board-density benchmark for 16-bit DACs and advances performance standards for output drive, crosstalk and load regulation in single supply, voltage-output multiple DACs.
Applicable Parts
Documentation & Resources
- 
                                                                
                                                                    
                                                                                                                                            DC1529A - Schematic5/4/2012PDF30K
- 
                                                                
                                                                    
                                                                                                                                            DC1529A - Demo Manual10/30/2013PDF255K
- 
                                                                
                                                                    
                                                                                                                                            DC1529A - Design Files5/4/2012ZIP690K
 
                             
                         
                         
                                                