Overview
Product Details
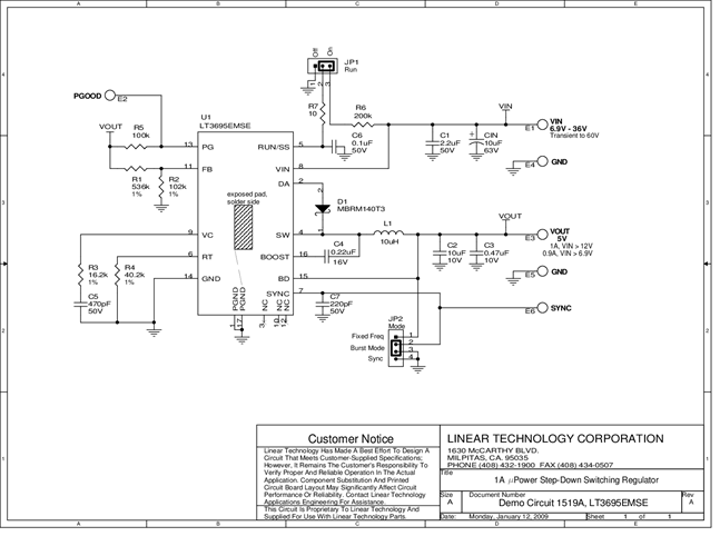
Demonstration circuit 1591A is a monolithic step-down switching regulator featuring the LT3695EMSE. The demo board is designed for 5V/1A output from a 6.9V to 36V input, with transients up to 60V. The LT3695 tolerates adjacent pin shorts or an open pin without raising the output voltage above its programmed value.
Applicable Parts
Documentation & Resources
-
DC1519A - Schematic11/4/2009PDF24K
-
DC1519A - Demo Manual11/4/2009PDF1M
-
DC1519A - Design Files11/4/2009ZIP1M
