Overview
Product Details
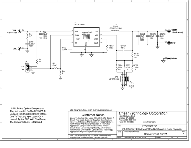
Demonstration circuit 1507A is a high efficiency step-down DC/DC converter featuring LTC3632EDD with internal high side and synchronous power switches that draws only 12µA quiescent current. It has a wide 4.5V to 50V input range and internal over voltage monitor capable of protecting the part through 60V surges. The jumper selectable outputs are 1.8V, 3.3V and 5V. LTC3632EDD can supply up to 20mA load current with a programmable peak current limit that provides a simple method for optimizing efficiency in lower current applications.
Markets and Technologies
Applicable Parts
Documentation & Resources
-
DC1507A - Schematic9/24/2009PDF24K
-
DC1507A - Demo Manual9/24/2009PDF508K
-
DC1507A - Design File9/24/2009ZIP608K
