Overview
Product Details
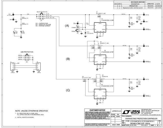
DC1505A: Demo Board for the LTC4360-1/LTC4360-2 Overvoltage Protection Controller.
Markets and Technologies
Applicable Parts
Documentation & Resources
-
DC1505A - Schematic9/1/2016PDF78K
-
DC1505A - Demo Manual9/1/2016PDF842K
-
DC1505A - Design Files9/1/2016ZIP1M
