Overview
Product Details
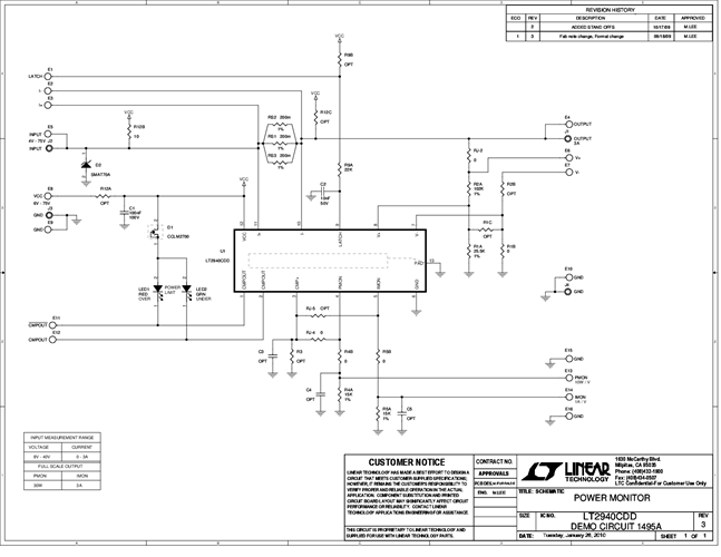
DC1495A: Demo Board for the LT2940 Power and Current Monitor.
Applicable Parts
Documentation & Resources
-
DC1495A - Schematic3/1/2010PDF65K
-
DC1495A - Demo Manual2/22/2010PDF117K
-
DC1495A - Design Files3/1/2010ZIP11M




