Overview
Product Details
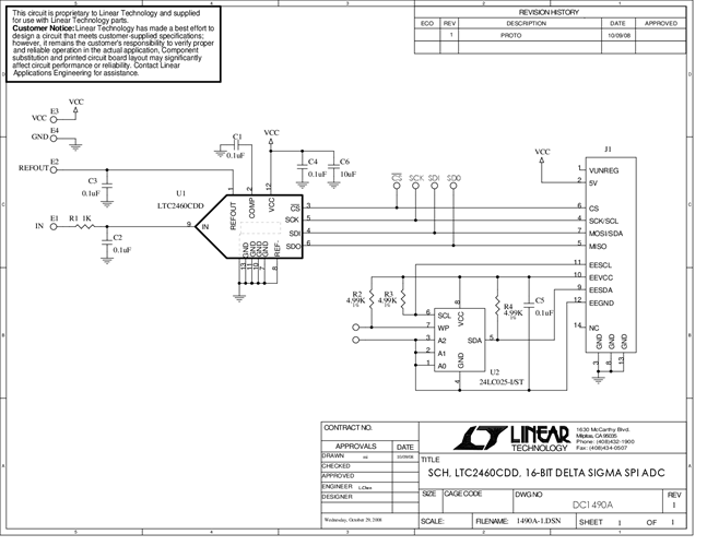
DC1490A: Demo Board for the LTC2460 Ultra-Tiny, 16-Bit ΔΣ ADCs with 10ppm/°C Max Precision Reference.
Applicable Parts
Documentation & Resources
-
DC1490A - Schematice8/25/2010PDF37K
-
DC1490A - Demo Manual4/27/2015PDF277K
-
DC1490A - Design Files8/25/2010ZIP2M
