Overview
Product Details
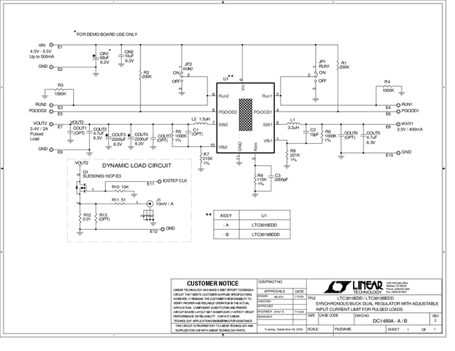
Demonstration circuit 1489A is a synchronous buck dual regulator with adjustable input current limit featuring the LTC3619EDD(Burst mode operation)/LTC3619BEDD(pulse-skip mode) and is ideally suited for pulsed load applications where the input current needs to be limited. The -A board is for the LTC3619 while the -B board is for the LTC3619B. It is configured for 500mA maximum input current limit. The outputs are configured for a 3.3V/400mA continuous current output and a 3.4V output that can handle pulsed load currents up to 2A, with duty cycles up to 15%. The input voltage range is 5V ±10%. The fixed input current limited can be adjusted by replacing one resistor.
Applicable Parts
Documentation & Resources
-
DC1489A - Schematic10/23/2009PDF39K
-
DC1489A - Demo Manual10/23/2009PDF778K
-
DC1489A - Design Files10/23/2009ZIP787K
