Overview
Product Details
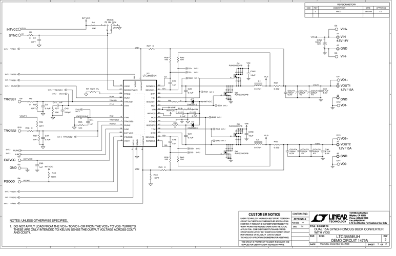
Demonstration circuit 1479A is a dual output synchronous buck DC/DC converter featuring the LTC3865EUH. The input voltage range is from 4.5V to 14V. The outputs are 1.5V/15A and 1.2V/15A. Each output voltage can be precisely programmed to a preset value within 1% error using two 3-state programming pins. The output voltage can be set to 1.0V, 1.1V, 1.2V, 1.5V, 1.8V, 2.5V 3.3V or 5V. The LTC3865 differs from the LTC3865-1 in that the "-1" has a fixed current limit threshold. The 32-pin package options for both devices have no SGND pin and only one PGND pin.
Applicable Parts
Documentation & Resources
-
DC1479A - Schematic1/28/2010PDF83K
-
DC1479A - Demo Manual1/28/2010PDF177K
-
DC1479A - Design Files1/28/2010ZIP4M
