Overview
Product Details
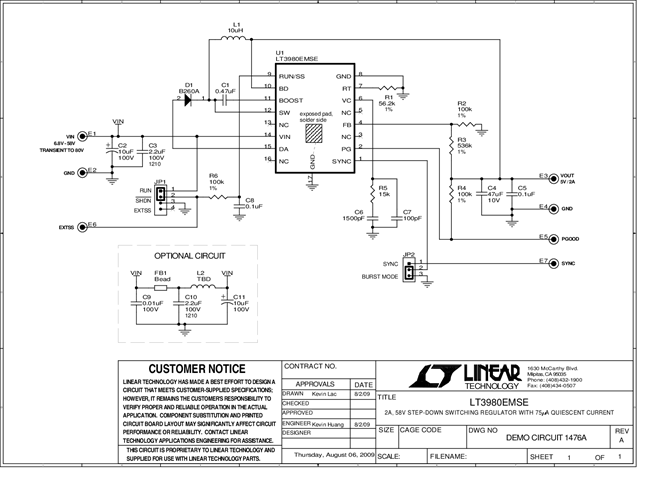
Demonstration circuit 1476A is a 2A, 58V step-down switching regulator with 75µA quiescent current featuring the LT3980EMSE. The demo board is designed for a 5V/2A output from a 6.8V to 58V input with transients up to 80V.
Applicable Parts
Documentation & Resources
-
DC1476A - Schematic10/21/2009PDF33K
-
DC1476A - Demo Manual10/21/2009PDF655K
-
DC1476A - Design Files10/21/2009ZIP720K
