Overview
Product Details
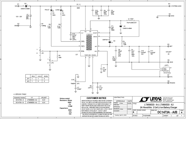
DC1473A-B: Demo Board for the LT3650-8.X High Voltage 2 Amp Monolithic 2-Cell Li-Ion Battery Charger.
Applicable Parts
Documentation & Resources
-
DC1473A - Schematic9/24/2009PDF82K
-
DC1473A - Demo Manual9/24/2009PDF397K
-
DC1473A - Design File9/24/2009ZIP625K




