Overview
Product Details
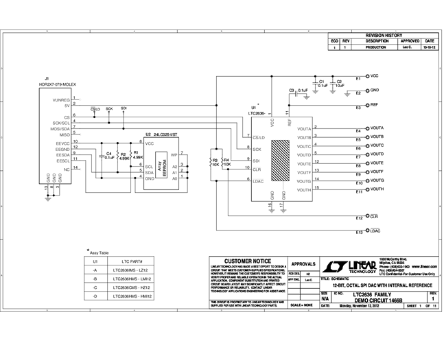
Demonstration circuit 1466B features the LTC2636, 12-Bit, Octal SPI DAC With Internal Reference. This device is a compact 8-channel solution with internal reference that simplifies system design. The DC1466B may be connected directly to the target application’s analog signals while using the DC590 USB serial controller board and supplied software to measure performance.
Applicable Parts
Documentation & Resources
-
DC1466B - Schematic9/27/2013PDF40K
-
DC1466B - Demo Manual9/27/2013PDF198K
-
DC1466B - Design Files9/27/2013ZIP1M




