Overview
Product Details
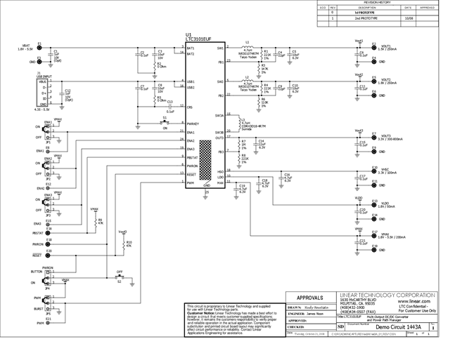
DC1443A: Demo Board for the LTC3101 Wide VIN, Multi-Output DC/DC Converter and PowerPath Controller.
Applicable Parts
Documentation & Resources
-
DC1443A - Schematic9/24/2009PDF85K
-
DC1443A - Demo Manual9/24/2009PDF455K
-
DC1443A - Design File9/24/2009ZIP2M
