Overview
Product Details
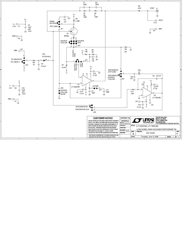
DC1416B: Demo Board for the LT1222 500MHz, 3nV√Hz, AV ≥ 10 Operational Amplifier.
Applicable Parts
Documentation & Resources
-
DC1416 Schematic9/24/2009PDF37K
-
DC1416A - Demo Manual11/8/2016PDF224 K
-
DC1416 - Design File9/24/2009ZIP1 M




