Overview
Product Details
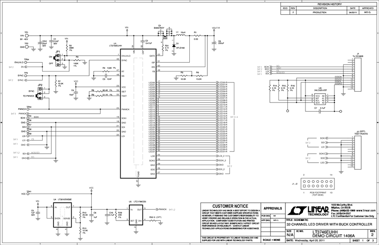
Demonstration circuit 1406A features three LT3746's, a 32-channel 20mA LED driver with buck controller and serial interface. The three LT3746’s are connected in series to control 32 OSRAM RGB LEDs stuffed on the demo board. Each IC drives a separate color. The demo board input voltage range is 9V to 40V and the LED output voltage is 4.2V for the blue and green LEDs, and 3V for the red LEDs.
Each channel has an individually adjustable 12-bit (4096-step) grayscale PWM dimming control and a 6-bit (64-step) dot correction current adjustment. Individual open/short LED and overtemperature flags are sent back during status read-back. The evaluation software installed in a host computer communicates with the DC1406A via the interface board DC590B, an USB serial controller.
Applicable Parts
Documentation & Resources
-
DC1406A -Schematic5/4/2012PDF129K
-
DC1406A - Demo Manual5/12/2011PDF846K
-
DC1406A - Design Files5/12/2011ZIP4M
