Overview
Product Details
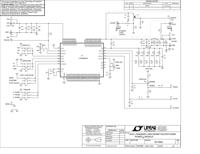
DC1400A: Demo Board for LTM4608A Low VIN, 8A DC/DC µModule with Tracking, Margining, and Frequency Synchronization
Applicable Parts
Documentation & Resources
-
DC1400A - Schematic9/24/2009PDF37K
-
DC1400A - Demo Manual11/16/2010PDF1M
-
DC1400A - Design File9/24/2009ZIP2M




