Overview
Product Details
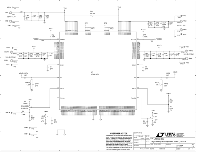
Demonstration circuit DC1385A features the LTM4614EV, the high efficiency, high density power module with dual 4A switch mode outputs. In the default configuration, the two outputs share the same input supply, which ranges from 2.375V to 5.5V, however each regulator may have its own input supply simply by removing a resistor. The device is configured for 1.2V and 1.8V outputs. Derating is necessary for certain VIN, VOUT, and thermal conditions.
Applicable Parts
Documentation & Resources
-
DC1385A - Schematic9/24/2009PDF43K
-
DC1385A - Demo Manual2/2/2011PDF659K
-
DC1385A - Design File9/24/2009ZIP858K
