Overview
Product Details
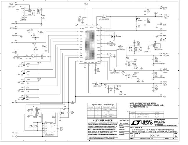
DC1376A-A: Demo Board for the LTC3555/LTC3555-X High Efficiency USB Power Manager Plus Triple Step-Down DC/DC
Applicable Parts
Documentation & Resources
- 
                                                                
                                                                    
                                                                                                                                            DC1376A - Schematic9/24/2009PDF50K
 
- 
                                                                
                                                                    
                                                                                                                                            DC1376A - Demo Manual9/24/2009PDF1M
 
- 
                                                                
                                                                    
                                                                                                                                            DC1376A - Design File9/24/2009ZIP964K
 
                                                