Overview
Product Details
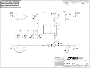
Demonstration circuit 1356A is a dual Hot Swap circuit featuring the LTC1645 dual-channel hot swap controller/power sequencer.
Applicable Parts
Documentation & Resources
-
DC1356A - Schematic11/23/2016PDF34K
-
DC1356A - Demo Manual11/23/2016PDF242K
-
DC1356A - Design Files11/23/2016ZIP2M
