Overview
Product Details
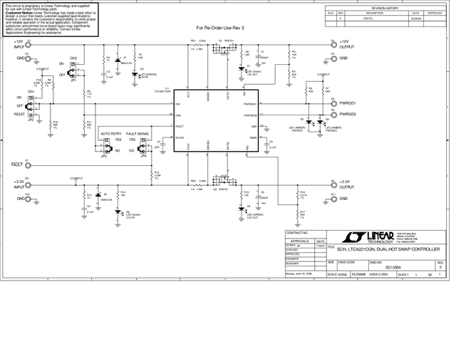
DC1355A: Demo Board for the LTC4221 Dual Hot Swap Controller/Power Sequencer with Dual Speed, Dual Level Fault Protection
Applicable Parts
Documentation & Resources
-
Hot Swap Controllers8/2/2023PDF0 M
-
DC1355A - Schematic9/24/2009PDF29K
-
DC1355A - Demo Manual9/24/2009PDF228K
-
DC1355A - Design File9/24/2009ZIP2M
