Overview
Product Details
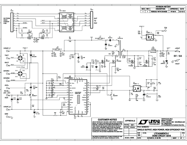
DC1351B: Demo Board for the LTC4269-2 IEEE 802.3at High Power PD and Synchronous Forward Controller with AUX Support
Applicable Parts
Documentation & Resources
-
DC1351B - Schematic3/14/2013PDF48K
-
DC1351B - Demo Manual1/23/2013PDF1M
-
DC1351B - Design Files1/23/2013ZIP1M





