Overview
Product Details
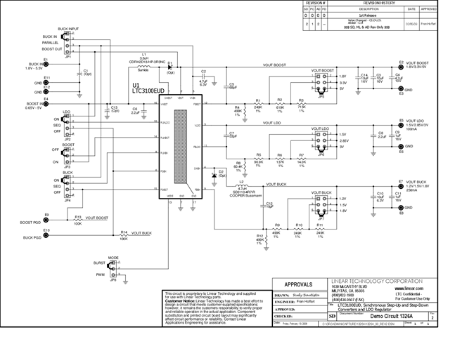
Demonstration circuit 1326A consists of three voltage regulators; a synchronous boost, a synchronous buck and a linear LDO. Jumpers are provided for selecting a total of nine output voltages (3 boost output voltages: 1.8V/3.3V/5V, 3 buck output voltages: 1.2V/1.5V/1.8V, and 3 LDO output voltages: 1.5V/2.85V/3V). The high efficiency DC/DC converters feature 700mA switches for the boost, 250mA for the buck and a 100mA rating for the LDO regulator. With a light load, the boost converter can startup with an input voltage as low as 700mV and once started, the input can go as low as 500mV while maintaining a regulated output. That maximum boost and buck input voltage is 5.5V. The buck converter requires 1.8V minimum input.
Applicable Parts
Documentation & Resources
-
DC1326A - Schematic9/24/2009PDF84K
-
DC1326A - Demo Manual9/24/2009PDF384K
-
DC1326A - Design File9/24/2009ZIP2M
